真空部件AL系列
发布时间:2025-06-24
作者:爱锐精密科技(大连)有限公司
浏览数:0
产品描述:爱锐精密科技大连有限公司是日本SATO佐藤真空在中国大陆地区总代理。所有产品经由大连以大宗货物型式进口,并向全国提供发货。向大陆地区提供最便捷,最低廉的真空产品。并且提供一直在大陆地区无法买到的高纯,
爱锐精密科技大连有限公司是日本SATO佐藤真空在中国大陆地区总代理。所有产品经由大连以大宗货物型式进口,并向全国提供发货。向大陆地区提供最便捷,最低廉的真空产品。并且提供一直在大陆地区无法买到的高纯,高品质佐藤真空的原装真空泵用密封油,相关的部件备品,及各种真空计(压力计)的校正等服务。
真空配管部品<AL>


ISO规格基准的真空用法兰,中心环等产品,组装,分解容易。NW10-NW50的标准规格为基础的接头齐全,与可变形管相搭配,可以得到自由自在的真空配管组合。
|
|
|
|
|
|
|
|
|
|
|
|
|
|
|
|
|
真空配管部品<AL>系列
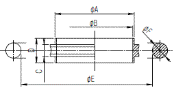
铝制法兰 ALR(AL)

| 型号 | A | B | C | T |
|---|---|---|---|---|
| ALR-10 | 45 | 22 | 61 | 18 |
| ALR-16 | 45 | 22 | 61 | 18 |
| ALR-25 | 55 | 32 | 72 | 18 |
| ALR-40 | 70 | 47 | 90 | 18 |
| ALR-50 | 95 | 63 | 123 | 26 |
| ALR-80 | 156 | 100 | - | 30 |
| ALR-100 | 177 | 122 | - | 34 |
<!-- cols2_l -->
中心环ALO(SUS304+VITON材质O型圈)

| 型号 | A | B | C | D | E | F |
|---|---|---|---|---|---|---|
| ALO-10B | 12 | 10 | 3.9 | 8 | 15 | 5 |
| ALO-16B | 17 | 16 | 3.9 | 8 | 18 | 5 |
| ALO-25B | 26 | 25 | 3.9 | 8 | 28 | 5 |
| ALO-40B | 41 | 40 | 3.9 | 8 | 42 | 5 |
| ALO-50B | 52 | 50 | 3.9 | 8 | 53.8 | 5 |
| ALO-80B | 82.4 | 80 | 4.0 | 12 | 88.3 | 5.33 |
| ALO-100B | 101.8 | 99 | 4.0 | 12 | 107.35 | 5.33 |
<!-- cols2_r -->
可变形配管

| 型号 | A | a | I.D | O.D | L | 最小弯曲半径 |
|---|---|---|---|---|---|---|
| 16A | 30 | 20 | 21.5 | 29.5 | 250、500、750 1000、1500、2000 | 50 |
| 25A | 40 | 20 | 27 | 36 | 250、500、750 1000、1500、2000 | 70 |
| 40A | 55 | 20 | 41.5 | 54 | 250、500、750 1000、1500、2000 | 100 |
| 50A | 75 | 20 | 50.5 | 65 | 250、500、750 1000、1500、2000 | 160 |
| 80A | 114 | 25 | 77.5 | 98 | 500、 1000 | 200 |
| 100A | 134 | 25 | 102 | 127 | 500、 1000 | 240 |
法兰ALF(SUS304)

| 型号 | A | B | C | D | L |
|---|---|---|---|---|---|
| ALF-10 | 30 | 12.2 | 13.8 | 10 | 20 |
| ALF-16 | 30 | 17.2 | 21.7 | 17.5 | 20 |
| ALF-25 | 40 | 26.2 | 27.2 | 23 | 30 |
| ALF-40 | 55 | 41.2 | 42.7 | 39 | 20 |
| ALF-50 | 75 | 52.2 | 60.5 | 55 | 20 |
| ALF-80 | 114 | 83 | 98 | 89.1 | 20 |
| ALF-100 | 134 | 102 | 118 | 114.3 | 20 |
<!-- cols2_l -->
盲板法兰ALS(SUS304)

| 型号 | A | B | C |
|---|---|---|---|
| ALS-10 | 30 | 12.2 | 6 |
| ALS-16 | 30 | 17.2 | 11 |
| ALS-25 | 40 | 26.2 | 20 |
| ALS-40 | 55 | 41.2 | 35 |
| ALS-50 | 75 | 52.2 | 46 |
| ALS-80 | 114 | 83 | 73 |
| ALS-100 | 134 | 102 | 92 |
<!-- cols2_r -->
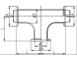
T字管ALT(SUS304)

| 型 式 | A | B | C | L |
|---|---|---|---|---|
| ALT-10 | 30 | 13.8 | 10.0 | 40 |
| ALT-16 | 30 | 13.8 | 16.1 | 40 |
| ALT-25 | 40 | 27.2 | 23 | 50 |
| ALT-40 | 55 | 42.7 | 37.1 | 65 |
| ALT-50 | 75 | 60.5 | 55 | 80 |
<!-- cols2_l -->
L字管ALL(SUS304)

| 型 式 | A | B | C | L |
|---|---|---|---|---|
| ALL-10 | 30 | 13.8 | 10 | 40 |
| ALL-16 | 30 | 21.7 | 16 | 40 |
| ALL-25 | 40 | 27.2 | 23 | 50 |
| ALL-40 | 55 | 42.7 | 37.1 | 65 |
| ALL-50 | 75 | 60.5 | 55 | 80 |
<!-- cols2_r -->
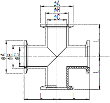
クロス管ALX(SUS304)

| 型号 | A | B | C | L |
|---|---|---|---|---|
| ALX-10 | 30 | 13.8 | 10 | 40 |
| ALX-16 | 30 | 21.7 | 16 | 40 |
| ALX-25 | 40 | 27.2 | 23 | 50 |
| ALX-40 | 55 | 42.7 | 37.1 | 65 |
| ALX-50 | 75 | 60.5 | 55 | 80 |
<!-- cols2_l -->
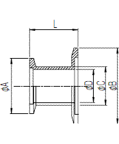
缩管接头ALC(SUS304)

| 型 式 | A | B | C | D | L |
|---|---|---|---|---|---|
| ALC10-25 | 30 | 40 | 14 | 10 | 40 |
| ALC16-25 | 30 | 40 | 20 | 16 | 40 |
| ALC16-40 | 30 | 55 | 20 | 16 | 40 |
| ALC16-50 | 30 | 75 | 20 | 16 | 40 |
| ALC25-40 | 40 | 55 | 28 | 24 | 40 |
| ALC25-50 | 40 | 75 | 28 | 24 | 40 |
| ALC40-50 | 55 | 75 | 44 | 39 | 40 |
<!-- cols2_r -->
真空计测量接口 ALG (SUS304)

| 型号 | A | B |
|---|---|---|
| ALG-12.7-10A | 30 | 12.85 |
| ALG-12.7-16A | 30 | 12.85 |
| ALG-15-10A | 30 | 16 |
| ALG-15-16A | 30 | 16 |
| ALG-15-25A | 40 | 16 |
| ALG-18-25A | 40 | 19 |
<!-- cols2_l -->
橡胶管接头ALK (SUS304)

| 型号 | A | B | L |
|---|---|---|---|
| ALK-0925A | 9 | 6 | 46 |
| ALK-1225A | 12 | 8 | 46 |
| ALK-1625A | 16 | 11 | 56 |
| ALK-1825A | 18 | 13 | 56 |
| ALK-2225A | 22 | 18 | 80 |
| ALK-3025A | 30 | 24 | 80 |
<!-- cols2_r -->
スウェージロック継手ALP (SUS304)

| 型号 | A | B | C | L |
|---|---|---|---|---|
| ALP-16A | 30(NW16) | 6.35(1/4) | 4.35 | 50 |
| ALP-25A | 40(NW25) | 6.35(1/4) | 4.35 | 50 |
| ALP-40A | 55(NW40) | 6.35(1/4) | 4.35 | 50 |
<!-- cols2_l -->
异径T型管ALT (SUS304)

| 型号 | A | L |
|---|---|---|
| ALT-25-10 | NW10 | 30 |
| ALT-25-16 | NW16 | 50 |
<!-- cols2_r -->
螺栓接头 ALF (SUS304)

| 型号 | A |
|---|---|
| ALF-1/4U-25A | Rc(PT)1/4 |
| ALF-3/8U-25A | Rc(PT)3/8 |
| ALF-1/2U-25A | Rc(PT)1/2 |
| ALF-3/4U-25A | Rc(PT)3/4 |
<!-- cols2_l -->
螺姆接头ALF (SUS304)

<!-- cols2_r -->
自动泄漏适配器 ALW-25-1/4(SUS304)

<!-- cols2_l -->
带金属过滤网中心环 ALO-MO
(VITON材质O型圈)

| 型号 | A | B | C | D | E |
|---|---|---|---|---|---|
| ALO-16MO | 17 | 12 | 8.2 | 18 | 5.3 |
| ALO-25MO | 26 | 20.6 | 8.2 | 28 | 5.3 |
| ALO-40MO | 41 | 35.8 | 8.2 | 42 | 5.3 |
| ALO-50MO | 52 | 46.3 | 8.4 | 53.8 | 5.3 |
油回收器(OIL MIST TRAP) |
自动防逆流阀 |
油面计 |
真空泵用油 |
|---|---|---|---|
真空用配管 |
真空阀门 |
特殊自动防逆流阀LCLV |
真空橡胶管 |
真空油过滤器 |
其它真空部件备品 |
KEYWORDS:佐藤真空, SATOVAC, 真空泵系列,佐藤真空, SATOVAC, 真空泵系列,佐藤真空直联真空泵系列,DW/DS/DT系列,DW-60, DW-120, DW-185II, DW-360, DW-720, DW-960, DW-1500, DT-5/DT-20, DS-20 II/DS-50II, P65D, P100D, P135D, P165D, P1000D, P1500D,USW-20, USW-50, USW-100N, USW-150, USW-300, USW-500, USW-650, USW-960, USW-1500, UST-20, UST-50, UST-100, UST-150, UST-300, UST-500, TSW-20, TSW-50, TSW-100N, TSW-150, TSW-300, TSW-500, TSW-650, TST-20, TST-50, TST-100, TST-150, TST-300, TST-500, BSW-20, BSW-50, BSW-100N, BSW-150, BST-20, BST-50, BST-100, BST-150, PSW-20, PSW-50, PST-20, PST-50, KS-7, KS-10, KS-15, KS-20B, KS-25B, KS-30B, KS-30B, KS-40B. KS-75B, KS-150, LM-1-125, LM-1-250, WS-2-250, WS-2-250AT, OFD-50W, OFD-100W, OFD-150W, OFD-50S, OFD-100S, OFD-150S, MD-1C, MZ2CNT, SB-10, SB-25, SB-50, SB-100S, SB-150S, SB-200, SB-300S, SB-600, MB-200, MB-600ZA, MB-600ZB, MB-1500ZA, MB-1500ZB, MB-2500ZA, MB-2500ZB, SDP-2, SDP-2A*1, SDP-3, SDP-3A*1, SDP-4, SDP-4A*1, SDP-6, SDP-8, SDP-10, SDP-14双级真空泵,耐腐食真空泵,进口真空油回转真空泵,
- 上一篇:真空油过滤器OIL CLEANER
- 下一篇:真空部件AL系列



























